???????????????
?????????????????/??????????????????????????????Щ??????????????????????????????????豸????????????????????????????????????????????檔?????????????????????????????????????????????????????????????????????????????????100%?????????????????

????????????????????
1??????2????????????????????????

2?????????????????

????????????????????
1??????????

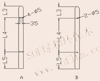
????嶥?????????????ζ???????????????L1????????????????????L1???粻?????1???

???φ5???L3??L4??L5???????1??3??2?????????????????????????A???????м????B?????
2?????????

???L2??????????????????鳤???????1.5???
3?????????????

4??????????????

L6?????????60mm??L7??????????????110mm??????????????????????????φ5???????????φ5*30í???????
5?????????
????????

??????????????????????????????????????????????????????K30-51????????????????????????????????????????????????
?????????

????????????????????????????????????????????????????????????????????????????????????λ??????????????????????λ????????????????????????????????????
6?????????????
????????????????????????????????200mm??

????????????????????????????????????????????????????????????????????????????????????100mm??
?????????????????????????
1??????????????????????????????????λ?t?????????????????????????????
2??????ù????У???????????????????????????洢????????????????????У????????????????????????????????
?塢???????????????????
| ????????? | ??????? |
| ????????? | ????????????????????? |
| ù?? | ?????????????ù?????????????ó??????????????????? |
| ?????? | ????????????????????????????????????????????????????????????β???? |
| ????? | ???????????????,???????????????????????????????? |
| ???,????????? | ??????????????????????????10-15???????????????? |
| ???? | ???????????????????ü???????????????????????????? |
| ????????? | ???????????????????????????????????? |
| ī?? | ī???????????????????????????????????????????????????????????ī?? |
?????
???鶨?????????????????????????????????????????????????????????????????????????????????????????????????????????£?????????????????????????С??????????????????????????????Ч??????????????????????????????????????????????????????????????????????


???λ??





